Продукты
Дом Продукты

Почему инженеры предпочитают седла шаровых клапанов серии JST BVR?

Почему инженеры предпочитают седла шаровых клапанов серии JST BVR?

  • December 30. 2025

Когда речь заходит об однонаправленном радиальном уплотнении седла шарового клапана, наши клиенты всегда предпочитают выбирать клапан типа JST «BVR», но почему?

Ответ кроется в оптимизированной геометрии уплотнения и конструкции, активируемой давлением. Серия BVR состоит из наклонной пружины и полимерной оболочки, которая в основном используется в качестве... уплотнение стержня Под давлением уплотнительная кромка активируется и плотно прижимается к седлу клапана, обеспечивая превосходную герметичность даже при высоком давлении.

При правильном выборе материала — например, компаундов на основе ПТФЭ или наполненных полимеров — уплотнение надежно работает при высоком давлении, перепадах температуры и в агрессивных средах, обычно встречающихся в... нефть и газ химическое и промышленное применение.

Наконец, клиенты ценят простоту установки и стабильность работы. Клапан типа JST «BVR» разработан для точной подгонки, минимизируя ошибки при установке и обеспечивая повторяемость результатов герметизации для клапанов различных размеров и условий эксплуатации.

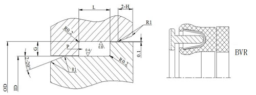
Ниже приведены технические рекомендации по размерам канавок.

Условия труда

Внутренний диаметр (мм)

Г (мм)

Внешний диаметр (мм)

L +0,2 /(мм)

Минимальный размер H (мм)

10000 фунтов на квадратный дюйм

-60~180℃

7~15

2.4

9.5

9.5

3.4

15~30

3.1

10

10

5.0

30~90

4.7

12.5

12.5

6

90~600

6.1

16

16

7

600~1200

9.5

28

28

9.5

© Авторские права: 2026 Guangzhou JST Seals Technology Co., Ltd. Все права защищены.

粤ICP备12032262号 Поддерживается сеть IPv6

Поддерживается сеть IPv6

вершина

оставить сообщение

оставить сообщение

    Если Вы заинтересованы в наших продуктах и хотите узнать больше деталей, пожалуйста, оставьте сообщение здесь, мы ответим вам, как только мы Can.

  • #
  • #
  • #